Ký hiệu các loại van khí nén là gì? Định nghĩa chuẩn kỹ thuật
Ký hiệu các loại van khí nén là gì? Khi tiếp cận một bản vẽ kỹ thuật trong hệ thống tự động hóa, bạn chắc chắn sẽ bắt gặp hàng loạt các ký hiệu hình học trừu tượng: những ô vuông nối tiếp nhau, các mũi tên chỉ hướng hỗn loạn hay những con số bí ẩn như 5/2, 3/2, 5/3. Đối với người mới bắt đầu hoặc kỹ thuật viên vận hành, đây thực sự là một "mê hồn trận" ngôn ngữ ký hiệu.
Vấn đề nằm ở chỗ, nếu không hiểu đúng ký hiệu các loại van khí nén, bạn sẽ không thể hình dung được quy trình vận hành của máy móc. Tệ hơn, việc đọc sai sơ đồ dẫn đến lắp đặt nhầm cổng khí, chọn sai loại van điều khiển, gây ra các sự cố hỏng hóc thiết bị hoặc làm hệ thống ngưng trệ hoàn toàn. Việc phải tháo ra lắp lại không chỉ tốn thời gian mà còn gây lãng phí chi phí vật tư không đáng có.
Thực tế, ký hiệu các loại van khí nén tuân theo những quy tắc logic rất chặt chẽ. Chỉ cần nắm vững các nguyên lý cơ bản về số cổng, số vị trí và cách biểu diễn dòng khí, bạn sẽ "đọc vị" được toàn bộ sơ đồ khí nén một cách dễ dàng. Bài viết chuyên sâu này sẽ giúp bạn giải mã các ký hiệu theo tiêu chuẩn quốc tế ISO 1219, giúp bạn tự tin thiết kế và bảo trì hệ thống khí nén chuyên nghiệp.
Ký hiệu các loại van khí nén là gì? Định nghĩa chuẩn kỹ thuật
Trong ngành cơ khí động lực và tự động hóa, ký hiệu các loại van khí nén được hiểu là một hệ thống các biểu tượng đồ họa tiêu chuẩn hóa. Thay vì vẽ hình dáng thật của chiếc van (vốn rất phức tạp và khác nhau tùy nhà sản xuất), người ta sử dụng các ký hiệu đơn giản để biểu diễn chức năng, trạng thái và cách thức điều khiển của van trong một sơ đồ mạch.
Các ký hiệu này đóng vai trò như một loại ngôn ngữ chung toàn cầu. Dù bạn ở Việt Nam, Nhật Bản hay Đức, chỉ cần nhìn vào ký hiệu van 5/2, bạn sẽ biết ngay đó là loại van dùng để điều khiển xy lanh kép với 5 cổng kết nối và 2 trạng thái hoạt động.
Định nghĩa ngắn gọn: Ký hiệu van khí nén là phương pháp biểu diễn chức năng kỹ thuật bằng hình vẽ, giúp kỹ sư hiểu rõ cách dòng khí di chuyển, các vị trí làm việc và phương thức tác động của van trong hệ thống mà không cần quan tâm đến hình dáng vật lý của thiết bị.

Nguyên lý logic khi đọc ký hiệu van khí nén
Để đọc hiểu ký hiệu các loại van khí nén, bạn không cần học thuộc lòng từng hình vẽ mà chỉ cần nắm vững bộ quy tắc logic "Vị trí - Cổng - Hướng". Mỗi ký hiệu van thường được cấu thành từ các ô vuông và các đường kẻ.
Quy tắc số ô vuông (Số vị trí - Positions)
Mỗi ô vuông trong ký hiệu đại diện cho một trạng thái hay một vị trí làm việc của van.
Van có 2 ô vuông là van 2 vị trí.
Van có 3 ô vuông là van 3 vị trí (thường có một vị trí trung gian ở giữa).
Quy tắc số cổng (Số ports)
Số cổng của van được xác định bằng cách đếm các điểm kết nối trên một ô vuông duy nhất (thường là ô vuông biểu diễn trạng thái tĩnh/mặc định).
Các cổng cấp khí thường ký hiệu là số 1 hoặc chữ P.
Các cổng làm việc ký hiệu là số 2, 4 hoặc chữ A, B.
Các cổng xả khí ký hiệu là số 3, 5 hoặc chữ R, S.
Cách gọi tên phân số (X/Y)
Tên gọi của van luôn theo định dạng: Số cổng / Số vị trí.
Ví dụ: Van 5/2 có nghĩa là van có 5 cổng và 2 vị trí làm việc.
Nguyên tắc quan trọng: Khi đọc sơ đồ, bạn luôn đọc từ trạng thái mặc định (trạng thái khi chưa có tác động điện hoặc cơ khí). Trạng thái này thường nằm ở bên phải đối với van 2 vị trí và ở giữa đối với van 3 vị trí.
Phân tích chuyên sâu các ký hiệu van khí nén phổ biến
Dưới đây là phân tích chi tiết về chức năng của 4 loại van phổ biến nhất hiện nay, giúp bạn hiểu rõ tại sao chúng lại có ký hiệu như vậy:
1. Van 2/2 (2 cổng - 2 vị trí)
Đây là loại van đơn giản nhất, tương tự như một chiếc công tắc điện ON/OFF. Ký hiệu gồm 2 ô vuông và 2 điểm kết nối. Chức năng duy nhất của nó là cho phép khí đi qua hoặc chặn lại hoàn toàn. Thường dùng trong các ứng dụng đóng ngắt dòng khí đơn giản.
2. Van 3/2 (3 cổng - 2 vị trí)
Loại van này có 1 cổng vào, 1 cổng ra và 1 cổng xả.
Ứng dụng: Thường dùng để điều khiển xy lanh tác động đơn (loại xy lanh có lò xo hồi về).
Logic: Ở vị trí mặc định, cổng làm việc được nối với cổng xả để xả khí trong xy lanh ra ngoài. khi tác động, cổng vào nối với cổng làm việc để đẩy xy lanh đi lên.
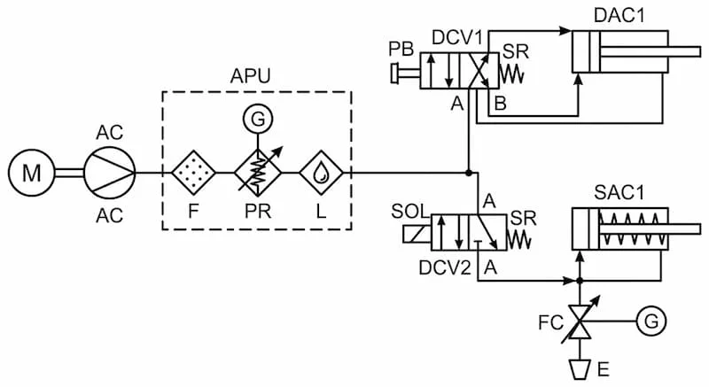
3. Van 5/2 (5 cổng - 2 vị trí)
Đây là "trái tim" của các hệ thống tự động hóa sử dụng xy lanh kép.
Ký hiệu: 5 cổng gồm 1 cổng cấp nguồn (1), 2 cổng làm việc (2, 4) và 2 cổng xả (3, 5).
Ứng dụng: Điều khiển xy lanh kép đi hết hành trình và về hết hành trình. Hai vị trí của van tương ứng với hai chiều chuyển động của pittông.
4. Van 5/3 (5 cổng - 3 vị trí)
Điểm đặc biệt của loại van này là ô vuông thứ 3 ở giữa. Đây là vị trí "trung tâm" giúp dừng xy lanh ở bất kỳ vị trí nào trong hành trình (vị trí dừng giữa). Tùy vào loại van 5/3 mà vị trí giữa này có thể là đóng kín tất cả các cổng, hoặc xả hết khí ở hai đầu xy lanh.

Ý nghĩa chi tiết của các thành phần trong ký hiệu
Khi nhìn vào một bản vẽ phức tạp, bạn cần phân tích từng thành phần nhỏ bên trong ký hiệu các loại van khí nén:
Ô vuông: Mỗi ô vuông là một "kịch bản" hoạt động. Khí nén sẽ đi theo lộ trình được vẽ trong ô vuông đang ở trạng thái kích hoạt.
Mũi tên: Chỉ hướng di chuyển của dòng khí. Nếu mũi tên hướng vào cổng làm việc, khí đang đi vào xy lanh.
Ký hiệu chữ T (Chặn dòng): Biểu thị cổng đó đang bị đóng kín, không cho khí đi qua.
Ký hiệu lò xo: Thể hiện van có khả năng tự động hồi về trạng thái ban đầu khi ngừng tác động lực.
Hình răng cưa hoặc đường chéo (Cuộn coil): Đại diện cho việc điều khiển bằng điện (van điện từ Solenoid).
Nút nhấn hoặc cần gạt: Biểu thị van được điều khiển bằng cơ học.
Việc hiểu rõ những "mảnh ghép" này giúp bạn đọc được bất kỳ loại van biến thể nào dù chúng chưa có trong sách giáo khoa.
Các tiêu chuẩn ký hiệu quốc tế (ISO vs DIN vs ANSI)
Hiện nay, để đảm bảo tính thống nhất toàn cầu, hầu hết các tài liệu kỹ thuật đều áp dụng tiêu chuẩn ISO 1219-1.
ISO 1219: Là tiêu chuẩn vàng hiện nay, sử dụng các ký hiệu đồ họa rõ ràng cho thiết bị thủy lực và khí nén. Ưu điểm là tính nhất quán và dễ nhận diện.
DIN (Đức): Khá tương đồng với ISO nhưng có một số quy ước khác về đánh số đầu cổng (ví dụ sử dụng chữ cái thay vì số).
ANSI (Mỹ): Sử dụng các ký hiệu có phần khác biệt về hình khối, tuy nhiên đang dần được thay thế bởi chuẩn ISO để phù hợp với xu hướng phẳng hóa công nghệ toàn cầu.
Lời khuyên: Bạn nên ưu tiên học và sử dụng theo chuẩn ISO để dễ dàng làm việc với các đối tác nước ngoài và đọc các tài liệu hướng dẫn của các hãng lớn như SMC, Festo hay Airtac.

Tại sao kỹ sư phải hiểu đúng ký hiệu các loại van khí nén?
Sự khác biệt giữa một kỹ sư giỏi và một người thợ bình thường nằm ở khả năng tư duy hệ thống thông qua bản vẽ.
Tránh sai sót chết người trong lắp đặt: Chỉ cần nhầm lẫn giữa van 3/2 (xả khí) và van 2/2 (chặn khí), hệ thống của bạn sẽ bị "treo" áp suất, gây nổ ống hoặc kẹt xy lanh.
Rút ngắn thời gian đọc bản vẽ: Một sơ đồ máy sản xuất có thể chứa hàng chục loại van. Hiểu ký hiệu giúp bạn hình dung mạch khí nén chỉ trong vài phút.
Tối ưu hóa bảo trì và sửa chữa: Khi máy gặp sự cố, việc nhìn vào ký hiệu trên thân van và so sánh với sơ đồ giúp bạn xác định ngay van có đang chuyển trạng thái đúng hay không (ví dụ: van không hồi về do hỏng lò xo).
Ứng dụng thực tế của ký hiệu van khí nén trong công nghiệp
Ký hiệu các loại van khí nén không chỉ nằm trên giấy, nó xuất hiện ở mọi ngóc ngách của nền sản xuất hiện đại:
Trong nhà máy sản xuất: Các sơ đồ máy đóng gói, máy chiết rót thực phẩm đều dựa trên mạch khí nén.
Robot công nghiệp: Các cánh tay robot sử dụng khí nén để kẹp/nhả sản phẩm luôn yêu cầu các cụm van điều khiển (Valve Island) phức tạp.
Dây chuyền lắp ráp ô tô: Hệ thống kẹp phôi, nâng hạ linh kiện dựa trên các cụm van 5/2 và 5/3 được ký hiệu tỉ mỉ trong bản vẽ thiết kế.
Khi bạn hiểu được ngôn ngữ này, bạn có khả năng tham gia vào quy trình thiết kế hệ thống tự động hóa hoặc trực tiếp sửa chữa những cỗ máy triệu đô.
Sai lầm thường gặp khi đọc ký hiệu van khí nén
Nhầm lẫn số cổng và số vị trí: Sai lầm kinh điển nhất là gọi van 5/2 thành van 2/5 hoặc nhầm lẫn giữa số cổng của toàn bộ van với số cổng trên một ô vuông.
Bỏ qua trạng thái mặc định: Nhiều người chỉ quan tâm đến trạng thái khi có điện mà quên mất ký hiệu lò xo. Điều này dẫn đến việc hệ thống tự vận hành sai quy trình khi mất điện (ví dụ: xy lanh tự động đẩy ra gây nguy hiểm).
Suy đoán theo cảm tính: Nhìn hình dáng van thấy to/nhỏ rồi tự suy ra chức năng mà không nhìn vào nhãn ký hiệu (Label) được in trên thân van.
Hướng dẫn đọc nhanh ký hiệu van khí nén (Checklist)
Để không bỏ sót thông tin, hãy áp dụng quy trình 4 bước sau khi đối mặt với một ký hiệu lạ:
[ ] Bước 1: Đếm ô vuông. Xác định số vị trí làm việc (thường là 2 hoặc 3).
[ ] Bước 2: Đếm điểm nối trên 1 ô. Xác định số cổng (1, 2, 3, 4, 5...).
[ ] Bước 3: Nhìn mũi tên. Khí đi từ đâu sang đâu? Cổng nào đang bị đóng (hình chữ T)?
[ ] Bước 4: Nhìn hai bên đầu van. Điều khiển bằng gì? (Lò xo, nút nhấn, bàn đạp, hay cuộn coil điện từ?).
Giải đáp thắc mắc thường gặp (FAQ)
1. Ký hiệu 5/2 nghĩa là gì?
Đáp: Đó là loại van có 5 cổng kết nối vật lý và 2 vị trí làm việc (trạng thái). Đây là loại van phổ biến nhất để điều khiển xy lanh kép.
2. Van 3/2 dùng để làm gì?
Đáp: Thường dùng để điều khiển xy lanh tác động đơn (loại có lò xo bên trong) hoặc dùng làm van hành trình để gửi tín hiệu khí nén.
3. Làm sao phân biệt van 5/2 và 5/3 qua ký hiệu?
Đáp: Van 5/2 có 2 ô vuông liền nhau, trong khi van 5/3 có 3 ô vuông. Ô vuông ở giữa của van 5/3 chính là vị trí dừng trung gian của van.
4. Số 1, 2, 3, 4, 5 trên ký hiệu có ý nghĩa gì?
Đáp: Theo tiêu chuẩn ISO, số 1 là cổng cấp khí, số 2 và 4 là cổng ra xy lanh, số 3 và 5 là cổng xả khí.
Kết luận và Lời khuyên từ chuyên gia
Hiểu rõ ký hiệu các loại van khí nén chính là chìa khóa để mở cánh cửa bước vào thế giới tự động hóa chuyên nghiệp. Nó giúp bạn xóa bỏ rào cản về ngôn ngữ kỹ thuật, hạn chế tối đa sai lầm trong lắp đặt và nâng cao vị thế của mình trong mắt đồng nghiệp và cấp trên.
Đừng bao giờ coi nhẹ những ký hiệu nhỏ bé trên bản vẽ, bởi chúng chính là "linh hồn" điều khiển cả một hệ thống máy móc khổng lồ. Việc đầu tư thời gian để hiểu đúng ngay từ đầu sẽ mang lại sự an toàn và hiệu quả bền vững cho sự nghiệp kỹ thuật của bạn.
Hãy theo dõi honto.vn để nhận thêm nhiều thông tin về ký hiệu các loại van khí nén!