ANSI B16.5 RF Flange là gì?
ANSI B16.5 RF Flange là gì? Cấu tạo, thông số & cách chọn chuẩn
Trong kỹ thuật lắp đặt đường ống, việc lựa chọn mặt bích dường như là một nhiệm vụ cơ bản, nhưng thực tế lại tiềm ẩn nhiều rủi ro nếu không nắm vững các ký hiệu kỹ thuật. Đã bao giờ bạn gặp tình trạng hệ thống dù đã siết chặt bulong nhưng vẫn xảy ra rò rỉ li ti tại khớp nối?
Nguyên nhân thường không nằm ở lực siết, mà nằm ở việc chọn sai kiểu bề mặt tiếp xúc (Facing). Trong đó, B16.5 RF flange là dòng sản phẩm phổ biến nhất nhưng cũng dễ gây nhầm lẫn nhất cho các kỹ sư mới hoặc bộ phận thu mua vật tư. Hiểu rõ "RF" là gì và tại sao nó lại trở thành tiêu chuẩn vàng trong công nghiệp sẽ giúp bạn đảm bảo an toàn tuyệt đối cho hệ thống và tối ưu hóa chi phí vận hành.

B16.5 RF Flange là gì? Định nghĩa về bề mặt Raised Face
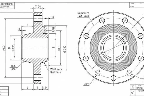
NSI B16.5 RF flange là loại mặt bích sản xuất theo tiêu chuẩn quốc gia Hoa Kỳ (ANSI), nay thường được gọi đồng nhất theo tiêu chuẩn ASME B16.5. Ký hiệu RF viết tắt của Raised Face (Mặt nhô).
Đặc điểm nhận dạng của loại mặt bích này là một phần diện tích nhỏ bao quanh lỗ thoát (bore) được đúc nhô cao hơn so với phần bề mặt lắp bulong. Phần nhô này chính là nơi đặt gioăng (gasket), đóng vai trò tập trung toàn bộ lực siết vào một diện tích tiếp xúc nhỏ hơn, từ đó tạo ra khả năng làm kín vượt trội cho khớp nối. Đây là thiết kế "kinh điển" giúp B16.5 RF flange trở thành linh kiện xương sống trong các hệ thống áp lực từ thấp đến cao.
Nguyên lý hoạt động của RF flange: Tại sao phải làm "mặt nhô"?
Nguyên lý cốt lõi của mặt bích RF nằm ở việc kiểm soát áp lực lên bề mặt gioăng. Khi chúng ta siết chặt các bulong, thay vì lực ép bị phân tán ra toàn bộ bề mặt rộng lớn của mặt bích, nó sẽ tập trung hoàn toàn vào phần Raised Face.
Tăng áp suất tiếp xúc: Diện tích tiếp xúc nhỏ hơn giúp đạt được áp suất làm kín ($P = F/A$ ) cao hơn với cùng một lực siết bulong.
Khả năng Sealing vượt trội: Áp lực tập trung giúp gioăng điền đầy các vết xước siêu nhỏ trên bề mặt kim loại, ngăn chặn lưu chất rò rỉ.
Bảo vệ bulong: Thiết kế này giúp bulong không phải chịu tải trọng uốn quá mức như khi sử dụng các loại mặt bích phẳng hoàn toàn (Flat Face).
So với loại mặt bích FF (Flat Face), loại RF cung cấp một rào chắn áp suất ổn định hơn, chịu được sự giãn nở nhiệt và rung động tốt hơn trong quá trình vận hành.

Thông số kỹ thuật B16.5 RF flange theo ASME
Khi tra cứu thông số kỹ thuật, bạn cần lưu ý rằng chiều cao của phần mặt nhô (Raised Face height) không cố định mà thay đổi tùy theo cấp áp lực (Class):
Kích thước danh định: Từ ½” đến 24” (đối với các size lớn hơn sẽ áp dụng ASME B16.47).
Cấp áp lực (Pressure Ratings): Class 150, 300, 400, 600, 900, 1500, và 2500.
Chiều cao mặt nhô (RF Height):
Đối với Class 150 và 300: Phần nhô cao khoảng 1.6 mm (1/16 inch).
Đối với Class 600 trở lên: Phần nhô cao khoảng 6.4 mm (1/4 inch).
Vật liệu phổ biến: Thép carbon (A105), thép không gỉ (Inox 304/316 - A182), hoặc thép hợp kim.
Lưu ý SEO: Chiều cao 1.6mm thường được đúc sẵn trong độ dày tổng thể của mặt bích, trong khi chiều cao 6.4mm thường không được bao gồm trong thông số độ dày danh định trên bảng vẽ.
Phân loại mặt bích RF (Raised Face) thường dùng
Cần hiểu rằng "RF" không phải là một loại mặt bích riêng biệt, mà là một kiểu thiết kế bề mặt có thể áp dụng cho nhiều dòng flange khác nhau:
Slip-On RF (SO RF): Mặt bích rỗng, trượt trên ống và hàn cả trong lẫn ngoài. Phổ biến vì dễ lắp đặt.
Weld Neck RF (WN RF): Có cổ dài để hàn đối đầu, chịu áp suất và rung động cực tốt.
Blind RF (BL RF): Mặt bích mù, dùng để bịt đầu ống nhưng vẫn có mặt nhô để làm kín với đoạn ống trước đó.
Socket Weld RF (SW RF): Dùng cho ống kích thước nhỏ, chịu áp cao.
So sánh RF vs FF vs RTJ flange: Khi nào nên chọn loại nào?
Để chọn đúng phụ kiện đường ống, bạn cần phân biệt rõ ba dạng bề mặt (Facing) phổ biến nhất hiện nay:
| Đặc điểm | RF (Raised Face) | FF (Flat Face) | RTJ (Ring Type Joint) |
|---|---|---|---|
| Hình dạng | Có phần nhô quanh lỗ | Phẳng hoàn toàn | Có rãnh để đặt vòng kim loại |
| Áp lực | Trung bình đến cao | Thấp (Class 125, 150) | Rất cao (Class 600 - 2500) |
| Gasket dùng kèm | Gasket vòng (Ring) | Gasket đầy mặt (Full face) | Vòng đệm kim loại (Ring Gasket) |
| Ưu điểm | Đa năng, kín tốt | Tránh nứt mặt bích gang | Chống rò rỉ tuyệt đối |
Insight chuyên gia: RF là lựa chọn "kinh tế" và hiệu quả nhất cho hầu hết các ứng dụng công nghiệp. Chỉ nên chuyển sang RTJ khi hệ thống vận hành ở áp suất cực cao và nhiệt độ biến thiên lớn.
Ứng dụng thực tế của ANSI B16.5 RF flange
Nhờ tính linh hoạt, mặt bích RF hiện diện trong hầu hết các lĩnh vực yêu cầu sự khắt khe về kỹ thuật:
Dầu khí & Hóa chất: Nơi yêu cầu sự kín khít để ngăn chặn rò rỉ lưu chất độc hại hoặc dễ cháy.
Hệ thống HVAC & Cấp thoát nước: Sử dụng Class 150 hoặc 300 để đảm bảo độ bền lâu dài.
Nhà máy điện: Các đường ống dẫn hơi áp suất trung bình.
Hệ thống xử lý khí: Khả năng chịu áp lực tập trung của mặt nhô giúp ngăn chặn sự thẩm thấu của các phân tử khí.

Sai lầm thường gặp khi sử dụng RF flange
Lắp mặt bích RF với mặt bích FF: Đây là điều tối kỵ, đặc biệt là khi một bên là gang (cast iron) và một bên là thép. Lực siết tập trung của mặt RF có thể làm nứt gãy mặt bích FF bằng gang.
Sử dụng sai gioăng (Gasket): Dùng gioăng Full Face cho mặt bích RF sẽ làm giảm áp lực làm kín tại vị trí cần thiết, dẫn đến rò rỉ.
Không chú ý đến độ nhám bề mặt (Surface Finish): Bề mặt RF thường có các đường vân răng cưa siêu nhỏ (Serrated finish). Nếu bề mặt này bị trầy xước sâu, dù có siết chặt bulong thì lưu chất vẫn sẽ len lỏi qua các kẽ hở.
Hướng dẫn lắp đặt và siết bulong cho RF flange
Quy trình lắp đặt chuẩn sẽ quyết định 50% độ bền của khớp nối:
Làm sạch: Vệ sinh kỹ phần mặt nhô, đảm bảo không có bụi bẩn hay dầu mỡ.
Căn chỉnh: Đặt gioăng (thường là gioăng vòng không kim loại hoặc gioăng xoắn ốc - Spiral Wound Gasket) vào đúng tâm của phần Raised Face.
Siết bulong: Luôn siết theo sơ đồ hình sao (đối xứng) qua ít nhất 3-4 vòng lực tăng dần. Điều này giúp mặt bích không bị vênh, đảm bảo áp lực lên gioăng đều ở mọi điểm.
Kiểm tra: Sau 24h vận hành, nên kiểm tra lại lực siết vì sự giãn nở nhiệt có thể làm nới lỏng các bulong.
FAQ: Câu hỏi thường gặp về ANSI B16.5 RF flange
1. RF flange có kín hơn FF không?
Có. Nhờ tập trung áp lực siết vào diện tích nhỏ hơn, RF tạo ra sự biến dạng gioăng tốt hơn, dẫn đến khả năng làm kín vượt trội so với FF.
2. RF flange dùng loại gasket gì?
Thường dùng Gasket dạng vòng (Ring Gasket). Phổ biến nhất là gioăng cao su, gioăng không amiăng hoặc gioăng xoắn ốc (Spiral Wound Gasket).
3. Có thể mài phẳng mặt nhô (Raised Face) để biến thành mặt FF không?
Về lý thuyết là có thể thực hiện cơ khí, nhưng điều này sẽ làm thay đổi độ dày và đặc tính chịu lực của sản phẩm đã được kiểm định. Bạn nên mua đúng loại từ đầu để đảm bảo an toàn kỹ thuật.
4. Tại sao Class 600 lại có mặt nhô cao hơn Class 150?
Áp suất cao hơn đòi hỏi sự biến dạng gioăng mạnh mẽ hơn và khoảng cách an toàn lớn hơn để tránh các mặt bích kim loại va chạm trực tiếp với nhau trước khi gioăng kịp nén.
Kết luận
B16.5 RF flange là sự lựa chọn hàng đầu cho các hệ thống đường ống hiện đại nhờ thiết kế mặt nhô thông minh giúp tối ưu hóa hiệu quả làm kín. Việc nắm rõ các thông số về Class và chiều cao RF không chỉ giúp bạn tránh được các lỗi lắp đặt ngớ ngẩn mà còn bảo vệ hệ thống khỏi những rủi ro rò rỉ tốn kém ansi b16.5 rf flange.