DIN PN10 Flange Là Gì?
DIN PN10 Flange Là Gì? Thông Số, Ứng Dụng & Cách Chọn Chuẩn
Trong quá trình thiết kế và thi công hệ thống đường ống, việc lựa chọn phụ kiện kết nối không chỉ đơn thuần là tìm kiếm một linh kiện vừa vặn về kích thước. Một sai lầm phổ biến mà nhiều kỹ sư và nhà thầu thường gặp phải là lắp đặt nhầm lẫn giữa các cấp áp lực, chẳng hạn như sử dụng DIN PN 10 flange cho một hệ thống vận hành vượt ngưỡng 10 bar.
Hậu quả của việc dùng sai tiêu chuẩn không chỉ dừng lại ở tình trạng rò rỉ lưu chất gây lãng phí, mà còn tiềm ẩn nguy cơ nứt vỡ khớp nối, làm giảm tuổi thọ toàn bộ công trình. Nhiều người vẫn thường lầm tưởng ký hiệu PN liên quan đến đường kính ống, hoặc không rõ áp lực thực tế mà một mặt bích PN10 có thể chịu đựng trong điều kiện nhiệt độ cao. Hiểu đúng về bản chất và thông số kỹ thuật của DIN PN 10 flange là chìa khóa để đảm bảo tính an toàn và hiệu quả kinh tế cho dự án.

DIN PN10 flange là gì? Định nghĩa theo tiêu chuẩn châu Âu
DIN PN 10 flange là loại mặt bích được sản xuất theo tiêu chuẩn công nghiệp của Đức (Deutsches Institut für Normung - DIN), hiện nay phần lớn đã được đồng bộ hóa và thay thế bởi tiêu chuẩn châu Âu EN 1092-1. Đây là dòng phụ kiện chuyên dụng để kết nối các đoạn ống, van và thiết bị trong hệ thống đường ống công nghiệp.
Trong đó, ký hiệu PN10 đại diện cho áp suất danh nghĩa (Pressure Nominal) là 10 bar (tương đương khoảng 10 kg/cm² hoặc 145 psi) tại điều kiện nhiệt độ tiêu chuẩn (thường là 20°C). Mặt bích PN10 được thiết kế với độ dày và số lượng lỗ bulong đặc trưng để đảm bảo khả năng chịu tải trong dải áp suất này. Việc tuân thủ tiêu chuẩn DIN/EN giúp các linh kiện từ nhiều nhà sản xuất khác nhau có thể lắp ráp khớp nối hoàn hảo, tạo tính đồng bộ cho hạ tầng kỹ thuật quốc tế.
Nguyên lý hoạt động của mặt bích PN10
Về mặt kỹ thuật, mặt bích PN10 hoạt động dựa trên cơ chế kết nối cơ học bằng hệ thống bulong và đai ốc, kết hợp với một lớp gioăng (gasket) ở giữa. Khi các bulong được siết chặt, lực ép sẽ phân bổ đều quanh vòng bích, nén chặt lớp gioăng để lấp đầy các khoảng hở siêu nhỏ trên bề mặt kim loại, tạo ra một mối nối kín khít tuyệt đối.
Tuy nhiên, cần lưu ý một nguyên lý quan trọng: PN không phải là áp suất vận hành tối đa tuyệt đối trong mọi điều kiện. Khả năng chịu tải của mặt bích tỷ lệ nghịch với nhiệt độ. Khi nhiệt độ của lưu chất tăng lên, độ bền của vật liệu (thép hoặc inox) sẽ giảm xuống, nghĩa là áp suất làm việc thực tế có thể thấp hơn mức 10 bar danh nghĩa. Hiểu rõ mối liên hệ giữa nhiệt độ và áp suất (Pressure-Temperature Rating) là yếu tố sống còn để đảm bảo hệ thống không bị quá tải.

Phân loại DIN PN 10 flange phổ biến trên thị trường
Dựa trên cấu tạo và phương thức kết nối với ống, mặt bích tiêu chuẩn PN10 được chia thành các loại chính sau:
Slip-on Flange (Mặt bích rỗng): Ống được xỏ vào trong lỗ mặt bích và hàn ở cả hai mặt (trong và ngoài). Đây là loại phổ biến nhất vì dễ căn chỉnh và chi phí thấp.
Weld Neck Flange (Mặt bích hàn cổ): Có phần cổ dài để hàn đối đầu trực tiếp với ống. Loại này có khả năng chịu rung động và áp suất ổn định hơn, thường dùng cho các vị trí quan trọng.
Blind Flange (Mặt bích mù): Không có lỗ ở giữa, dùng để bịt kín đầu ống hoặc các hố chờ để mở rộng hệ thống trong tương lai.
Threaded Flange (Mặt bích ren): Kết nối với ống bằng ren thay vì hàn. Loại này thường dùng cho các hệ thống nhỏ hoặc nơi không thể thực hiện công việc hàn (khu vực dễ cháy nổ).
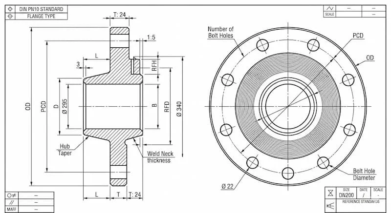
Thông số kỹ thuật chi tiết của DIN PN 10 flange
Kích thước của mặt bích PN10 được quy định rất khắt khe để đảm bảo khả năng lắp lẫn. Dưới đây là bảng thông số tham khảo cho các kích thước DN phổ biến:
| Kích thước danh định (DN) | Đường kính ngoài (OD - mm) | Tâm lỗ bulong (PCD - mm) | Số lỗ bulong | Đường kính lỗ (mm) |
|---|---|---|---|---|
| DN15 | 95 | 65 | 4 | 14 |
| DN50 | 165 | 125 | 4 | 18 |
| DN100 | 220 | 180 | 8 | 18 |
| DN200 | 340 | 295 | 8 | 22 |
| DN300 | 445 | 400 | 12 | 22 |
Vật liệu sản xuất:
Thép carbon (A105, Q235, S235JR): Dùng cho hệ thống nước, khí, dầu thông thường.
Inox (SS304, SS316): Chuyên dùng cho môi trường ăn mòn, thực phẩm hoặc hóa chất.
Gang: Thường dùng trong các hệ thống cấp nước đô thị với kích thước lớn.
So sánh DIN PN10 vs PN16: Sự khác biệt cốt lõi
Đây là câu hỏi mà hầu hết các buyer và thợ kỹ thuật quan tâm. Mặc dù cùng tiêu chuẩn DIN/EN, nhưng PN10 và PN16 có những ranh giới kỹ thuật rõ rệt:
| Tiêu chí | DIN PN 10 Flange | DIN PN16 Flange |
|---|---|---|
| Áp suất danh nghĩa | 10 Bar | 16 Bar |
| Độ dày (Thickness) | Mỏng hơn, tiết kiệm vật liệu hơn | Dày hơn để chịu áp lực cao hơn |
| Kích thước lỗ bulong | Thường giống nhau ở các size nhỏ | Có sự khác biệt ở size lớn (từ DN200 trở lên) |
| Giá thành | Tối ưu chi phí cho hệ áp thấp | Chi phí cao hơn khoảng 15-20% |
Điểm lưu ý đặc biệt: Đối với các size từ DN15 đến DN150, mặt bích PN10 và PN16 thường có cùng số lỗ và tâm lỗ bulong, nghĩa là chúng có thể lắp lẫn cho nhau. Tuy nhiên, từ DN200 trở lên, kích thước hình học sẽ khác nhau hoàn toàn. Bạn có thể dùng PN16 thay thế cho PN10 để tăng độ an toàn, nhưng tuyệt đối không làm ngược lại.
Vì sao phải chọn đúng cấp áp lực PN10?
Việc chọn đúng cấp áp lực PN10 mang lại ba lợi ích thực tế cho doanh nghiệp:
Đảm bảo an toàn kỹ thuật: Ngăn chặn các sự cố nứt vỡ khớp nối khi hệ thống vận hành ở ngưỡng áp suất 7-9 bar.
Tối ưu hóa chi phí: Nếu hệ thống của bạn chỉ vận hành ở mức 5-6 bar, việc sử dụng mặt bích PN16 hoặc PN25 là một sự lãng phí tài chính không cần thiết cho dự án.
Đảm bảo tuổi thọ hệ thống: Sự tương thích hoàn hảo giữa mặt bích, bulong và gioăng giúp giảm thiểu rung động và mài mòn hóa học tại các khớp nối.
Ứng dụng thực tế của DIN PN10 flange
Nhờ dải áp lực trung bình và tính phổ biến, flange PN10 là lựa chọn ưu tiên trong các lĩnh vực:
Hệ thống cấp nước: Đường ống dẫn nước sạch đô thị, hệ thống tưới tiêu nông nghiệp.
Xử lý nước thải: Kết nối các máy bơm, van và bồn chứa trong nhà máy xử lý nước thải tập trung.
Hệ thống HVAC: Đường ống dẫn nước lạnh cho Chiller, nước nóng trong hệ thống điều hòa trung tâm của tòa nhà.
PCCC áp thấp: Các đường ống nhánh trong hệ thống chữa cháy nơi áp lực không quá lớn.

Những sai lầm thường gặp khi sử dụng mặt bích PN10
Sử dụng cho áp suất cao: Lắp đặt PN10 vào hệ thống có áp suất làm việc thường xuyên trên 10 bar sẽ khiến mặt bích bị biến dạng hoặc gây đứt bulong.
Không kiểm tra nhiệt độ: Dùng mặt bích thép PN10 cho hơi nóng (steam) trên 200°C mà không tính toán lại áp suất giảm trừ sẽ dẫn đến rò rỉ.
Lắp sai loại gioăng: Sử dụng gioăng quá cứng cho mặt bích PN10 có thể khiến lực siết bulong không đủ để làm kín mặt tiếp xúc.
Nhầm lẫn tiêu chuẩn: Cố gắng lắp mặt bích DIN PN10 với mặt bích tiêu chuẩn Mỹ ANSI Class 150. Hai tiêu chuẩn này hoàn toàn không khớp tâm lỗ bulong.
Cách chọn DIN PN10 flange đúng chuẩn kỹ thuật
Để không mua sai hàng, hãy đi qua Checklist kỹ thuật sau:
Xác định áp suất làm việc thực tế: Phải đảm bảo dưới 10 bar trong điều kiện nhiệt độ thường.
Kiểm tra môi trường lưu chất: Nếu là nước sạch dùng thép carbon, nếu là hóa chất hoặc thực phẩm bắt buộc dùng inox.
Xác định kiểu kết nối: Bạn cần hàn (Slip-on, Weld Neck) hay dùng ren?
Kích thước DN: Phải khớp với kích thước của ống và van hiện có.
Checklist kiểm tra chất lượng trước khi mua hàng
Khi tiếp nhận hàng hóa tại công trình, hãy kiểm tra các yếu tố sau:
Tiêu chuẩn đóng dấu: Bề mặt bích phải có khắc rõ: "DIN PN10" hoặc "EN1092-1 PN10", kèm kích thước DN và vật liệu.
Chứng chỉ CO-CQ: Đảm bảo hàng hóa có nguồn gốc rõ ràng và đạt chứng nhận chất lượng.
Bề mặt tiếp xúc: Mặt bích không được có vết xước sâu, rỗ khí hoặc bị vênh.
Lỗ bulong: Các lỗ phải được khoan chính xác, không bị lệch tâm hay có ba-via kim loại.
FAQ: Giải đáp thắc mắc về DIN PN 10 flange
1. PN10 chịu được bao nhiêu áp lực thực tế?
Trong điều kiện tiêu chuẩn (nhiệt độ phòng), nó chịu được tối đa 10 bar. Tuy nhiên, hãy vận hành ở mức 8-9 bar để có hệ số an toàn tốt nhất.
2. PN10 có dùng được cho hệ thống hơi nóng không?
Không khuyến khích. Hơi nóng thường đi kèm nhiệt độ cao và áp suất biến thiên. Với hơi nóng, người ta thường ưu tiên sử dụng từ PN16 hoặc PN25 trở lên với vật liệu thép đúc chất lượng cao.
3. Mặt bích DIN PN10 và PN16 có lắp lẫn được không?
Chỉ lắp lẫn được từ kích thước DN15 đến DN150. Từ DN200 trở lên, số lỗ và tâm lỗ bulong khác nhau nên không thể kết nối.
4. Nên chọn mặt bích inox hay thép cho PN10?
Nếu ngân sách cho phép và môi trường có tính ăn mòn (gần biển, hóa chất), inox là lựa chọn tối ưu. Nếu chỉ dẫn nước sạch thông thường, thép carbon mạ kẽm là đủ để tiết kiệm chi phí.
Kết luận
DIN PN 10 flange là một thành phần không thể thiếu trong các hạ tầng kỹ thuật áp suất thấp và trung bình. Việc hiểu đúng thông số kỹ thuật và phân biệt rõ giữa các cấp áp suất PN10 và PN16 không chỉ giúp bạn xây dựng một hệ thống đường ống an toàn mà còn khẳng định sự chuyên nghiệp trong kỹ thuật thi công din pn10 flange.